型號查詢
型號
品牌
類型
內徑
外徑
厚度

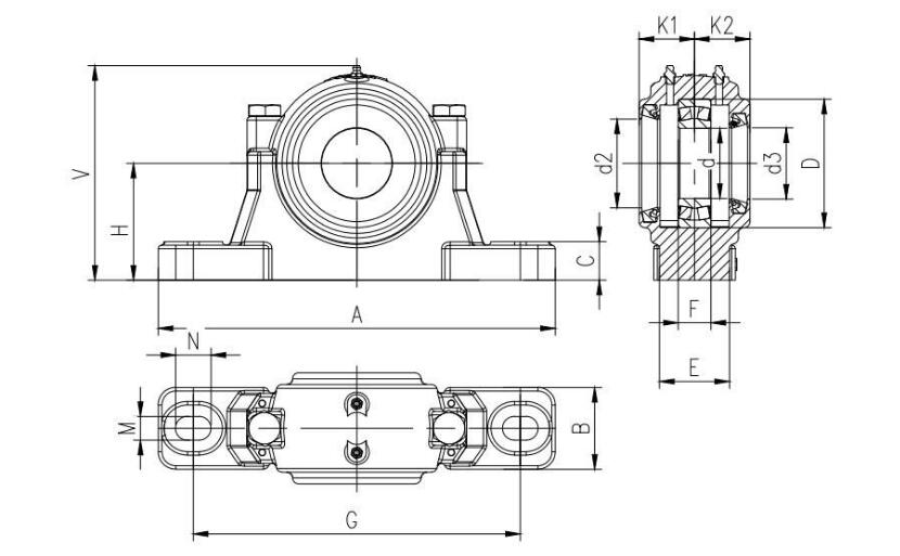
LQDR 1213剖分式軸承座

產品名稱:1213軸承 類型:剖分式軸承座
品牌:LQDR 新型號:1213
舊型號:1213 內徑d:75
外徑D:120 厚度(mm):
重量:5.2

 咨詢熱線:13562012537

 咨詢熱線:18366426352

詳細信息

剖分式軸承座的上蓋和底座可分離,主要承受徑向載荷,適合于圓柱孔和圓錐孔的調心滾子軸承和調心球軸承。
該種軸承座主要應用于冶金,礦山,輸送系統(tǒng),環(huán)保設備等等。主要的型號有剖分式軸承座:SN200系列、SN500系列、SN600系列、SN300系列、SNU500系列、SNU600系列、SD3100系列、SAF500系列、722500系列、1500系列、SD500系列、SNL2,5,3,6系列,1600系列,Z2500Y、Z2600Y系列,GZ2、GZ4系列。各系列的主要區(qū)別是承受的負荷不同,密封形式不同(羊毛氈,雙唇密封,U型密封,迷宮圈密封等)。它具有良好的導熱性,安裝和拆卸方便,并且大大提高了密封件的效用.
推薦型號
在線客服
熱線電話

微信公眾賬號